贝博艾弗森官网
中文版
|
|
|
贝博艾弗森官网
产品中心
转舌锁
自动售货机锁
寄存柜锁
智能电子锁
贝博艾弗森官网:机箱机柜锁/把手锁
锁芯/按压锁
电脑锁
门锁芯
办公家具锁
重型挂锁/报警锁
其他锁具
行业领域
办公寄存
智能终端
智慧城市
3C周边
机车后装
贝博艾弗森官网
办公寄存
智能终端
智慧城市
交通工具
3C周边
商用锁
客户案例
贝博艾弗森官网 资讯
贝博艾弗森官网:公司贝博艾弗森官网
行业资讯
贝博艾弗森官网:关于贝博艾弗森官网
企业简介
贝博艾弗森官网
资质荣誉
联系贝博艾弗森官网
产品中心
主页
>
产品中心
>
自动售货机锁
>
产品中心
美式自动售货机锁
日式自动售货机锁
其他自动售货机锁
联系贝博艾弗森官网
贝博艾弗森官网科技股份有限公司
地址:福建省厦门市集美区灌口镇深青工业区后山头路29号
电话:0592-6360091
手机: 李经理 18150386372
邮箱:mk@makelocks.com
电插锁 售货机开门柜锁 零售柜门锁 重型柜门锁 MK231
美科电插锁 售货机开关柜锁 MK231,使用方便快捷,安全性高,外观大气且具档次感。
在线咨询
在线咨询
贝博艾弗森官网:
产品概述
●
产品介绍
美科电插锁 售货机开关柜锁 MK231,使用方便快捷,安全性高,外观大气且具档次感。
●
产品属性
型号:MK231
材质:锌合金
表面处理:喷漆
●
产品特点
1、断电关锁,确保物品安全
2、宽工作电压设计,兼容不同设备电源
3、使用寿命高达50万次;
4、安装尺寸兼容市场主流无人柜
●
适用范围
重型柜门、零售柜门等。
●
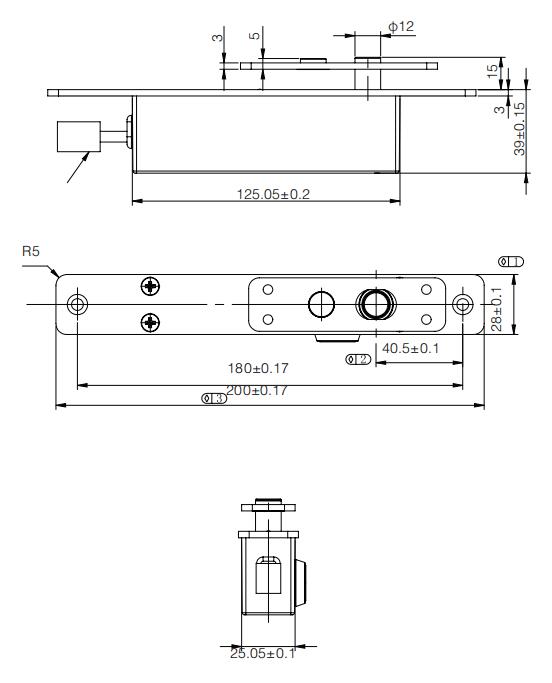
尺寸图
上一篇:没有了
下一篇:没有了
相关阅读:
贝博艾弗森官网:
产品中心
转舌锁
自动售货机锁
寄存柜锁
智能电子锁
机箱机柜锁/把手锁
锁芯/按压锁
电脑锁
门锁芯
办公家具锁
贝博艾弗森官网
办公寄存
智能终端
智慧城市
交通工具
3C周边
商用锁
贝博艾弗森官网 资讯
贝博艾弗森官网:公司贝博艾弗森官网
行业资讯
关于贝博艾弗森官网
企业简介
贝博艾弗森官网
资质荣誉
贝博艾弗森官网:联系贝博艾弗森官网
微信公众号
阿里巴巴店铺
贝博艾弗森官网:
贝博艾弗森官网
电话
短信
联系
var _hmt = _hmt || []; (function() { var hm = document.createElement("script"); hm.src = "https://hm.baidu.com/hm.js?25a8b6ddd6dc7b9a90aeb1f51e218aa6"; var s = document.getElementsByTagName("script")[0]; s.parentNode.insertBefore(hm, s); })();
星欧娱乐-科技赋能场景,让注册更有趣 - pgxo
悟空·(中国)体育官方网站-WOKONG SPORTS世界杯官网
3377体育赛事中心(官方网站入口)app下载安装·登录网页版
意昂3体育 -〈意昂3用心游戏,乐在其中〉
U8国际·(中国区)官方网站