贝博艾弗森官网
中文版
|
|
|
贝博艾弗森官网
产品中心
转舌锁
自动售货机锁
寄存柜锁
智能电子锁
贝博艾弗森官网:机箱机柜锁/把手锁
锁芯/按压锁
电脑锁
门锁芯
办公家具锁
重型挂锁/报警锁
其他锁具
行业领域
办公寄存
智能终端
智慧城市
3C周边
机车后装
贝博艾弗森官网
办公寄存
智能终端
智慧城市
交通工具
3C周边
商用锁
客户案例
贝博艾弗森官网:贝博艾弗森官网 资讯
贝博艾弗森官网:公司贝博艾弗森官网
行业资讯
贝博艾弗森官网:关于贝博艾弗森官网
企业简介
贝博艾弗森官网
资质荣誉
联系贝博艾弗森官网
产品中心
主页
>
产品中心
>
锁芯/按压锁
>
锁芯
>
产品中心
锁芯
按压锁
联系贝博艾弗森官网
贝博艾弗森官网科技股份有限公司
地址:福建省厦门市集美区灌口镇深青工业区后山头路29号
电话:0592-6360091
手机: 李经理 18150386372
邮箱:mk@makelocks.com
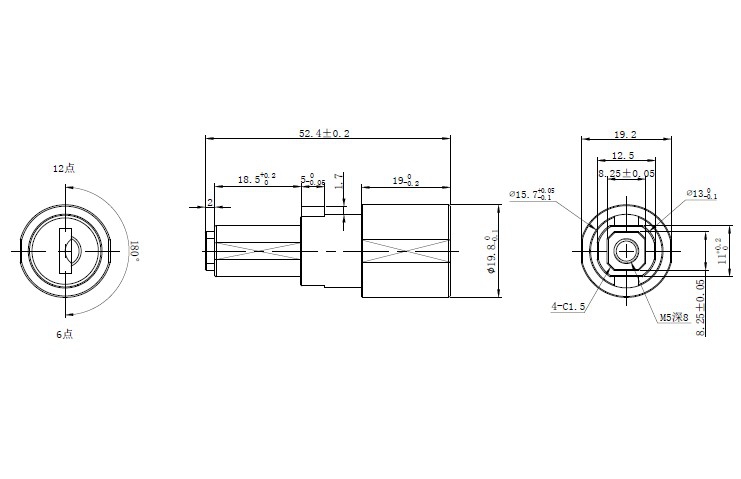
锁芯MK206-06
美科新品锁芯MK206-06,配备叶片钥匙系统,锌合金材质,亮铬、喷粉、喷漆多种表面处理,钥匙孔带防尘罩,可旋转180°。常做为通讯柜锁,电表箱锁,配电箱锁,广告机锁等。
在线咨询
在线咨询
贝博艾弗森官网:
产品概述
●
产品介绍
美科新品锁芯MK206-06,配备叶片钥匙系统,锌合金材质,亮铬、喷粉、喷漆多种表面处理,钥匙孔带防尘罩,可旋转180°。常做为通讯柜锁,电表箱锁,配电箱锁,广告机锁等。
●
产品属性
型号:MK206-06
材质:锁壳、锁芯:锌合金,钥匙:铜
表面处理:亮铬
钥匙牙花:1,000
●
产品特点
1、黑色锁体,常见于办公家具锁
2、可根据客户要求定制
●
适用范围
智能终端,金融设备,机电设备,柜类,公用电话机,游戏机,广告箱
●
尺寸图
上一篇:
贝博艾弗森官网:锁芯MK206-2B
下一篇:
贝博艾弗森官网:锁芯MK102S-22
相关阅读:
贝博艾弗森官网:
产品中心
转舌锁
自动售货机锁
寄存柜锁
智能电子锁
贝博艾弗森官网:机箱机柜锁/把手锁
锁芯/按压锁
电脑锁
门锁芯
办公家具锁
贝博艾弗森官网
办公寄存
智能终端
智慧城市
交通工具
3C周边
商用锁
贝博艾弗森官网 资讯
贝博艾弗森官网:公司贝博艾弗森官网
行业资讯
关于贝博艾弗森官网
企业简介
贝博艾弗森官网
资质荣誉
贝博艾弗森官网:联系贝博艾弗森官网
微信公众号
阿里巴巴店铺
贝博艾弗森官网:
贝博艾弗森官网
贝博艾弗森官网:
电话
贝博艾弗森官网:
短信
贝博艾弗森官网:
联系
var _hmt = _hmt || []; (function() { var hm = document.createElement("script"); hm.src = "https://hm.baidu.com/hm.js?25a8b6ddd6dc7b9a90aeb1f51e218aa6"; var s = document.getElementsByTagName("script")[0]; s.parentNode.insertBefore(hm, s); })();
星欧娱乐-科技赋能场景,让注册更有趣 - pgxo
悟空·(中国)体育官方网站-WOKONG SPORTS世界杯官网
3377体育赛事中心(官方网站入口)app下载安装·登录网页版
意昂3体育 -〈意昂3用心游戏,乐在其中〉
U8国际·(中国区)官方网站