贝博艾弗森官网

中文版 | | |

产品中心

产品中心

联系贝博艾弗森官网

贝博艾弗森官网科技股份有限公司
地址:福建省厦门市集美区灌口镇深青工业区后山头路29号
电话:0592-6360091
手机: 李经理 18150386372
邮箱:mk@makelocks.com

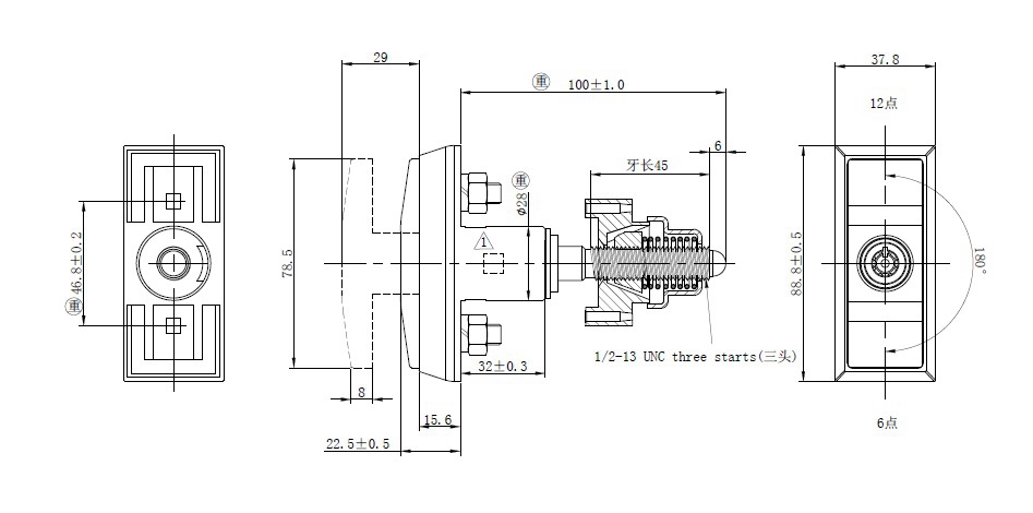
美式自动售货机游戏机锁MK210-07

美科美式自动售货机自动贩卖机锁MK210-07,外观大气,配备高安全性管状钥匙系统,采用锌合金材质,拥有三种T把设计理念,三种螺母供用户选择,安装方便快捷。因其适用于多种机箱机柜上,
在线咨询

产品概述

产品介绍
        美科美式自动售货机自动贩卖机锁MK210-07,外观大气,配备高安全性管状钥匙系统,采用锌合金材质,拥有三种T把设计理念,三种螺母供用户选择,安装方便快捷。因其适用于多种机箱机柜上,所以根据应用对象,又称之为ATM机锁,游戏机锁,广告机锁,售货亭锁等。

产品属性

 

 型号:MK210-07
 材质:锌合金
 表面处理:亮铬、亮镍
 钥匙牙花:10,000以上

产品特点
1、三种T把可供选择,普通T把、实心T把、带防钻钢棒T把
2、三种螺母供选择,普通螺母,锁紧螺母和联动杆
3、锁紧螺母带三头弹性螺纹,推动T把即可上锁,操作方便快捷
4、可根据客户要求定制

 
适用范围
自动售货机,智能终端,金融设备,机电设备,柜类,游戏机,地铁闸机,广告箱

尺寸图

相关阅读:
  • 微信公众号

  • 阿里巴巴店铺

贝博艾弗森官网:贝博艾弗森官网
贝博艾弗森官网:电话
短信
贝博艾弗森官网:联系
var _hmt = _hmt || []; (function() { var hm = document.createElement("script"); hm.src = "https://hm.baidu.com/hm.js?25a8b6ddd6dc7b9a90aeb1f51e218aa6"; var s = document.getElementsByTagName("script")[0]; s.parentNode.insertBefore(hm, s); })(); 星欧娱乐-科技赋能场景,让注册更有趣 - pgxo 悟空·(中国)体育官方网站-WOKONG SPORTS世界杯官网 3377体育赛事中心(官方网站入口)app下载安装·登录网页版 意昂3体育 -〈意昂3用心游戏,乐在其中〉 U8国际·(中国区)官方网站